ステンレス鋼製T(同径、径違い)
| 径の呼び | 外形 OD |
Sch 5S | Sch 10S | Sch 20S | Sch 40 | Sch 80 | |||||
|---|---|---|---|---|---|---|---|---|---|---|---|
| 母管×枝管 | 内径 ID |
厚さ T |
内径 ID |
厚さ T |
内径 ID |
厚さ T |
内径 ID |
厚さ T |
内径 ID |
厚さ T |
|
| 1/2 × 1/2 | 21.7 | 18.4 | 1.65 | 17.5 | 2.1 | 16.7 | 2.5 | 16.1 | 2.8 | 14.3 | 3.7 |
| 3/4 × 3/4 , 1/2 | 27.2 | 23.9 | 1.65 | 23.0 | 2.1 | 22.2 | 2.5 | 21.4 | 2.9 | 19.4 | 3.9 |
| 1 × 1 , 3/4 , 1/2 | 34.0 | 30.7 | 1.65 | 28.4 | 2.8 | 28.0 | 3.0 | 27.2 | 3.4 | 25.0 | 4.5 |
| 1 1/4 × 1 1/4 , 1 , 3/4 , 1/2 | 42.7 | 39.4 | 1.65 | 37.1 | 2.8 | 36.7 | 3.0 | 35.5 | 3.6 | 32.9 | 4.9 |
| 1 1/2 × 1 1/2 , 1 1/4 , 1 , 3/4 , 1/2 | 48.6 | 45.3 | 1.65 | 43.0 | 2.8 | 42.6 | 3.0 | 41.2 | 3.7 | 38.4 | 5.1 |
| 2 × 2 , 1 1/2 , 1 1/4 , 1 , 3/4 | 60.5 | 57.2 | 1.65 | 54.9 | 2.8 | 53.5 | 3.5 | 52.7 | 3.9 | 49.5 | 5.5 |
| 2 1/2 × 2 1/2 , 2 , 1 1/2 , 1 1/4 , 1 | 76.3 | 72.1 | 2.1 | 70.3 | 3.0 | 69.3 | 3.5 | 65.9 | 5.2 | 62.3 | 7.0 |
| 3 × 3 , 2 1/2 , 2 , 1 1/2 , 1 1/4 | 89.1 | 84.9 | 2.1 | 83.1 | 3.0 | 81.1 | 4.0 | 78.1 | 5.5 | 73.9 | 7.6 |
| 3 1/2 × 3 1/2 , 3 , 2 1/2 , 2 , 1 1/2 | 101.6 | 97.4 | 2.1 | 95.6 | 3.0 | 93.6 | 4.0 | 90.2 | 5.7 | 85.4 | 8.1 |
| 4 × 4 , 3 1/2 , 3 , 2 1/2 , 2 , 1 1/2 | 114.3 | 110.1 | 2.1 | 108.3 | 3.0 | 106.3 | 4.0 | 102.3 | 6.0 | 97.1 | 8.6 |
| 5 × 5 , 4 , 3 1/2 , 3 , 2 1/2 , 2 | 139.8 | 134.2 | 2.8 | 133.0 | 3.4 | 129.8 | 5.0 | 126.6 | 6.6 | 120.8 | 9.5 |
| 6 × 6 , 5 , 4 , 3 1/2 , 3 , 2 1/2 | 165.2 | 159.6 | 2.8 | 158.4 | 3.4 | 155.2 | 5.0 | 151.0 | 7.1 | 143.2 | 11.0 |
| 8 × 8 , 6 , 5 , 4 , 3 1/2 | 216.3 | 210.7 | 2.8 | 208.3 | 4.0 | 203.3 | 6.5 | 199.9 | 8.2 | 190.9 | 12.7 |
| 10 × 10 , 8 , 6 , 5 , 4 | 267.4 | 260.6 | 3.4 | 259.4 | 4.0 | 254.4 | 6.5 | 248.8 | 9.3 | 237.2 | 15.1 |
| 12 × 12 , 10 , 8 , 6 , 5 | 318.5 | 310.5 | 4.0 | 309.5 | 4.5 | 305.5 | 6.5 | 297.9 | 10.3 | 283.7 | 17.4 |
径の呼び12"迄は通常1シームとなりますので、シームレス品(径の呼び10"迄)御希望の場合は事前御打合せ願います。
| 径の呼び | 中心から端面までの距離 | 概略重量(kg) | 径の呼び | ||||||
|---|---|---|---|---|---|---|---|---|---|
| 母管×枝管 | C | M | Sch 5S | Sch 10S | Sch 20S | Sch 40 | Sch 80 | A | B |
| 1/2 × 1/2 | 25.4 | 25.4 | 0.053 | 0.066 | 0.077 | 0.085 | 0.107 | 15 | 1/2 |
| 3/4 × 3/4 , 1/2 | 28.6 | 28.6 , 28.6 | 0.075 | 0.094 | 0.110 | 0.126 | 0.162 | 20 | 3/4 |
| 1 × 1 , 3/4 , 1/2 | 38.1 | 38.1 ,38.1 , 38.1 | 0.128 | 0.210 | 0.223 | 0.250 | 0.319 | 25 | 1 |
| 1 1/4 × 1 1/4 , 1 , 3/4 , 1/2 | 47.6 | 47.6 , 47.6 , 47.6 , 47.6 | 0.203 | 0.335 | 0.357 | 0.422 | 0.555 | 32 | 1 1/4 |
| 1 1/2 × 1 1/2 , 1 1/4 , 1 , 3/4 , 1/2 | 57.2 | 57.2 , 57.2 , 57.2 , 57.2 , 57.2 | 0.281 | 0.466 | 0.497 | 0.604 | 0.806 | 40 | 1 1/2 |
| 2 × 2 , 1 1/2 , 1 1/4 , 1 , 3/4 | 63.5 | 63.5 , 60.3 , 57.2 , 50.8 , 44.5 | 0.384 | 0.638 | 0.788 | 0.872 | 1.20 | 50 | 2 |
| 2 1/2 × 2 1/2 , 2 , 1 1/2 , 1 1/4 , 1 | 76.2 | 76.2 , 69.9 , 66.7 , 63.5 , 57.2 | 0.732 | 1.03 | 1.20 | 1.74 | 2.28 | 65 | 2 1/2 |
| 3 × 3 , 2 1/2 , 2 , 1 1/2 , 1 1/4 | 85.7 | 85.7 , 82.6 , 76.2 , 73.0 , 69.9 | 0.958 | 1.35 | 1.78 | 2.41 | 3.25 | 80 | 3 |
| 3 1/2 × 3 1/2 , 3 , 2 1/2 , 2 , 1 1/2 | 95.3 | 95.3 , 92.1 , 88.9 , 82.6 , 79.4 | 1.21 | 1.71 | 2.26 | 3.17 | 4.39 | 90 | 3 1/2 |
| 4 × 4 , 3 1/2 , 3 , 2 1/2 , 2 , 1 1/2 | 104.8 | 104.8 , 101.6 , 98.4 , 95.3 , 88.9 , 85.7 | 1.49 | 2.12 | 2.80 | 4.12 | 5.77 | 100 | 4 |
| 5 × 5 , 4 , 3 1/2 , 3 , 2 1/2 , 2 | 123.8 | 123.8 , 117.5 , 114.3 , 111.1 , 108.0 , 104.8 | 2.85 | 3.45 | 5.01 | 6.54 | 9.20 | 125 | 5 |
| 6 × 6 , 5 , 4 , 3 1/2 , 3 , 2 1/2 | 142.8 | 142.9 , 136.5 , 130.2 , 127.0 , 123.8 , 120.7 | 3.88 | 4.70 | 6.84 | 9.58 | 14.5 | 150 | 6 |
| 8 × 8 , 6 , 5 , 4 , 3 1/2 | 177.8 | 177.8 , 168.3 , 161.9 , 155.6 , 152.4 | 6.27 | 8.91 | 14.3 | 17.9 | 27.1 | 200 | 8 |
| 10 × 10 , 8 , 6 , 5 , 4 | 215.9 | 215.9 , 203.2 , 193.7 , 190.5 , 184.2 | 11.4 | 13.4 | 21.5 | 30.4 | 48.3 | 250 | 10 |
| 12 × 12 , 10 , 8 , 6 , 5 | 254.0 | 254.0 , 241.3 , 328.6 , 219.1 , 215.9 | 18.7 | 21.0 | 30.1 | 47.2 | 77.9 | 300 | 12 |
| 径の呼び 母管×枝管 |
外形 OD |
Sch 10S | Sch 20S | Sch 40 | |||
|---|---|---|---|---|---|---|---|
| 内径 ID |
厚さ T |
内径 ID |
厚さ T |
内径 ID |
厚さ T |
||
| 14 × 14 , 12 , 10 , 8 , 6 | 355.6 | 345.6 | 5.0 | 339.6 | 8.0 | 333.4 | 11.1 |
| 16 × 16 , 14 , 12 , 10 , 8 , 6 | 406.4 | 396.4 | 5.0 | 390.4 | 8.0 | 381.0 | 12.7 |
| 18 × 18 , 16 , 14 , 12 , 10 | 457.2 | 447.2 | 5.0 | 441.2 | 8.0 | 428.6 | 14.3 |
| 20 × 20 , 18 , 16 , 14 , 12 , 10 , 8 | 508.0 | 497.0 | 5.5 | 489.0 | 9.5 | 477.8 | 15.1 |
| 22 × 22 , 20 , 18 , 16 | 558.8 | 547.8 | 5.5 | 539.8 | 9.5 | 527.0 | 15.9 |
| 24 × 24 , 22 , 20 , 18 | 609.6 | 596.6 | 6.5 | 590.6 | 9.5 | 574.6 | 17.5 |
| 26 × 26 , 24 , 22 , 20 | 660.4 | 644.4 | 8.0 | 635.0 | 12.7 | - | - |
| 28 × 28 , 26 , 24 , 22 | 711.2 | 695.2 | 8.0 | 685.8 | 12.7 | 676.2 | 17.5 |
| 30 × 30 , 28 , 26 , 24 | 762.0 | 746.0 | 8.0 | 736.6 | 12.7 | 727.0 | 17.5 |
| 32 × 32 , 30 , 28 , 26 | 812.8 | 796.8 | 8.0 | 787.4 | 12.7 | 777.8 | 17.5 |
| 34 × 34 , 32 , 30 , 28 | 863.6 | 847.6 | 8.0 | 838.2 | 12.7 | 828.6 | 17.5 |
| 36 × 36 , 34 , 32 , 30 | 914.4 | 898.4 | 8.0 | 889.0 | 12.7 | 876.2 | 19.1 |
| 38 × 38 , 36 , 34 , 32 | 965.2 | - | - | - | - | - | - |
| 40 × 40 , 38 , 36 , 34 | 1016.0 | 997.0 | 9.5 | 987.4 | 14.3 | 963.6 | 26.2 |
| 42 × 42 , 40 , 38 , 36 | 1066.8 | - | - | - | - | - | - |
| 44 × 44 , 42 , 40 , 38 | 1117.6 | - | - | - | - | - | - |
| 46 × 46 , 44 , 42 , 40 | 1168.4 | - | - | - | - | - | - |
| 48 × 48 , 46 , 44 , 42 | 1219.2 | - | - | - | - | - | - |
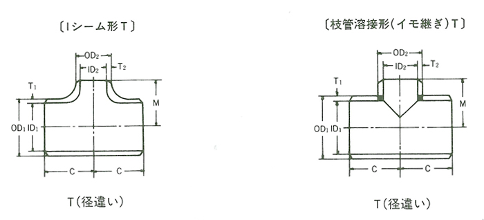
注)①径の呼び14"迄は1シーム又は枝管溶接形(イモ継ぎ)Tとなります。
②本表以外の段落、厚さ及び48B(1200A)を超えるものも製作可能ですので別途ご相談下さい。
| 径の呼び 母管×枝管 |
中心から端面までの距離 | 概略重量(kg) | 径の呼び | ||||
|---|---|---|---|---|---|---|---|
| C | M | Sch 10S | Sch 20S | Sch 40 | A | B | |
| 14 × 14 , 12 , 10 , 8 , 6 | 279.4 | 279.4 , 269.9 , 257.2 , 247.7 , 238.1 | 28.5 | 45.3 | 62.2 | 350 | 14 |
| 16 × 16 , 14 , 12 , 10 , 8 , 6 | 304.8 | 304.8 , 304.8 , 295.3 , 273.1 , 263.5 | 35.2 | 55.9 | 87.7 | 400 | 16 |
| 18 × 18 , 16 , 14 , 12 , 10 | 342.9 | 342.9 , 330.2 , 330.2 , 320.2 , 308.0 | 44.6 | 70.9 | 124.9 | 450 | 18 |
| 20 × 20 , 18 , 16 , 14 , 12 , 10 , 8 | 381.0 | 381.0 , 368.3 , 355.6 , 346.1 , 333.4 , 323.9 | 60.6 | 103.8 | 163.1 | 500 | 20 |
| 22 × 22 , 20 , 18 , 16 | 419.4 | 419.1 , 406.4 , 393.7 , 381.0 | 73.4 | 125.8 | 208.1 | 550 | 22 |
| 24 × 24 , 22 , 20 , 18 | 431.8 | 431.8 , 431.8 , 431.8 , 419.1 | 95.7 | 139.2 | 253.0 | 600 | 24 |
| 26 × 26 , 24 , 22 , 20 | 495.3 | 495.3 , 482.6 , 469.9 , 457.2 | 148.7 | 234.3 | - | 650 | 26 |
| 28 × 28 , 26 , 24 , 22 | 520.7 | 520.7 , 520.7 , 508.0 , 495.3 | 167.3 | 263.8 | 361.0 | 700 | 28 |
| 30 × 30 , 28 , 26 , 24 | 558.8 | 558.8 , 546.1 , 546.1 , 533.4 | 192.6 | 303.9 | 416.0 | 750 | 30 |
| 32 × 32 , 30 , 28 , 26 | 596.9 | 596.9 , 584.2 , 571.5 , 571.5 | 219.7 | 346.7 | 474.9 | 800 | 32 |
| 34 × 34 , 32 , 30 , 28 | 635.0 | 635.0 , 622.3 , 609.6 , 596.9 | 248.6 | 392.4 | 537.7 | 850 | 34 |
| 36 × 36 , 34 , 32 , 30 | 673.1 | 673.1 , 660.4 , 647.7 , 635.0 | 279.2 | 440.9 | 658.4 | 900 | 36 |
| 38 × 38 , 36 , 34 , 32 | 711.2 | 711.2 , 711.2 , 698.5 , 685.8 | - | - | - | - | - |
| 40 × 40 , 38 , 36 , 34 | 749.3 | 749.3 , 749.3 , 736.6 , 723.9 | 410.1 | 614.3 | 1112.2 | 1000 | 40 |
| 42 × 42 , 40 , 38 , 36 | 762.0 | 711.2 , 711.2 , 711.2 , 711.2 | - | - | - | 1050 | 42 |
| 44 × 44 , 42 , 40 , 38 | 812.8 | 762.0 , 762.0 , 749.3 , 736.6 | - | - | - | 1100 | 44 |
| 46 × 46 , 44 , 42 , 40 | 850.9 | 800.1 , 800.1 , 787.4 , 774.7 | - | - | - | 1150 | 46 |
| 48 × 48 , 46 , 44 , 42 | 889.0 | 838.2 , 838.2 , 838.2 , 812.8 | - | - | - | 1200 | 48 |



